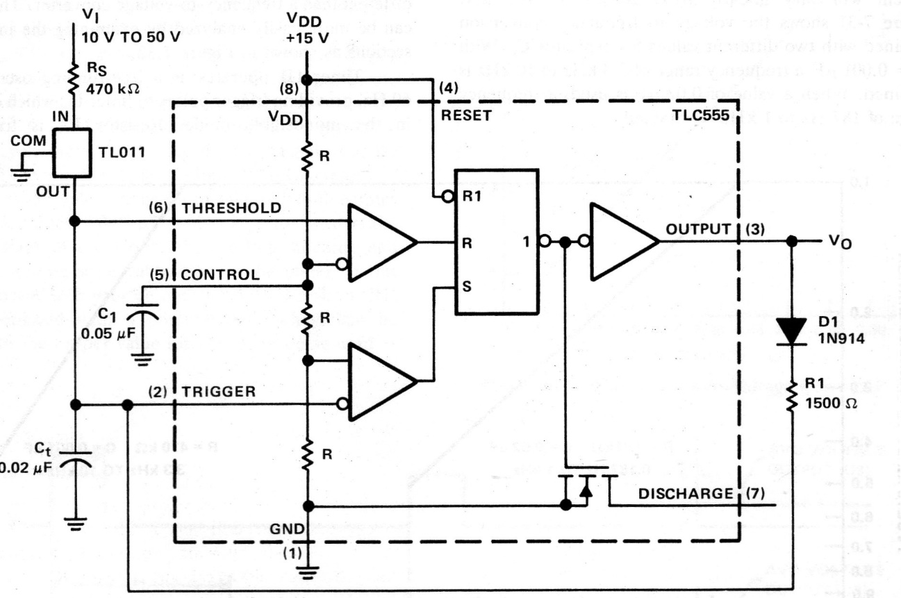
In the figure we show how to implement a voltage-controlled oscillator. The circuit is from Texas Instruments documentation from the 90s. The frequency depends on C1 and on the website there are articles on how to calculate this component and others used in the circuit.




