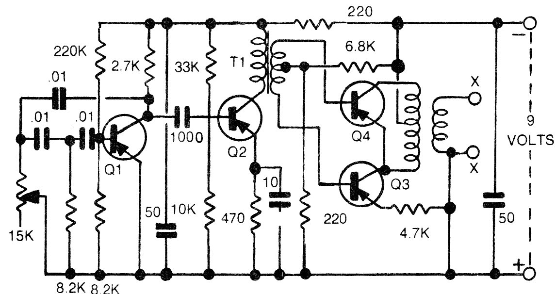
This circuit was found in documentation from the 1970s. It is an oscillator with a push-pull audio amplifier stage for an inductive remote control. Transistors are types of power of the time, but modern types can be used operating at a frequency above the audio range.




