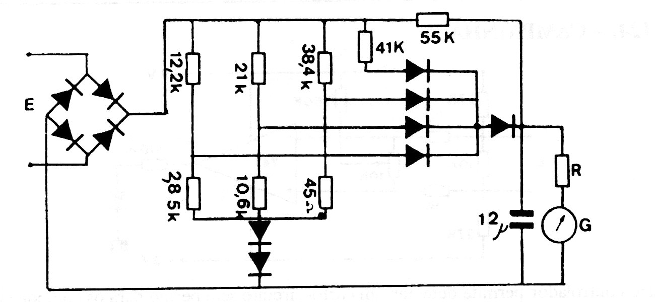
This circuit shows on the instrument the effective value or RMS of the input voltage. The diodes are general-purpose types, and the bridge diodes have voltage according to the one to be measured. The circuit is from old documentation.
This circuit shows on the instrument the effective value or RMS of the input voltage. The diodes are general-purpose types, and the bridge diodes have voltage according to the one to be measured. The circuit is from old documentation.