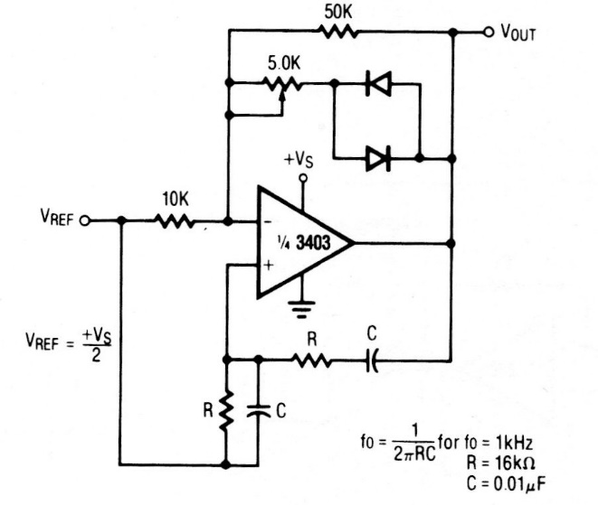
The operational amplifier of this circuit is not very common today, because we removed the circuit from an old documentation. However, the circuit can be designed based on modern operational amplifiers. The power supply does not have to be symmetrical.




