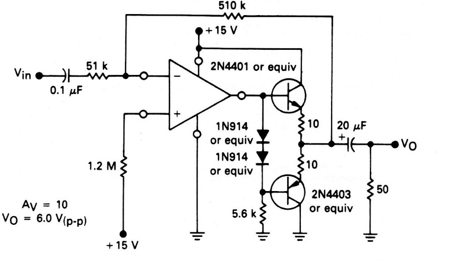
This circuit is from an old operating manual and can be implemented with operationals types that depend on the application. The power source does not have to be symmetrical and the transistors support equivalents.
This circuit is from an old operating manual and can be implemented with operationals types that depend on the application. The power source does not have to be symmetrical and the transistors support equivalents.