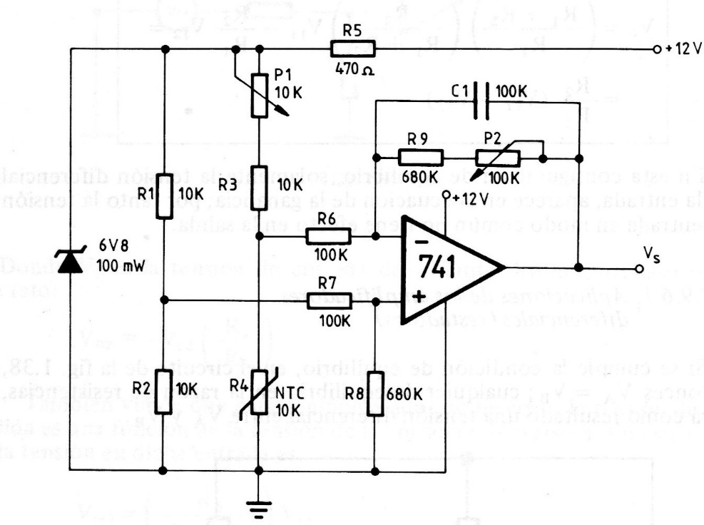
This circuit that has excellent linearity using an NTC as a sensor was found in a European publication from the 90s. The circuit does not need symmetrical power and equivalent operational amplifiers can be used. P2 adjusts the gain and P1 the scale of the converter.




