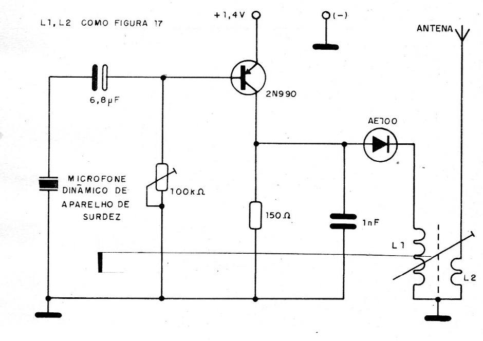
This low power circuit for the FM band was found in a spy book from the 90s. The tunnel diode is not an easy component to obtain and the power can be supplied with a single button cell. This circuit is simpler than the previous one, as it uses only one transistor. The coils are as shown in the previous project.




