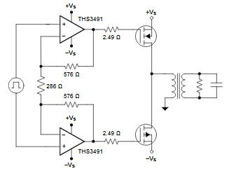
This high-power drive circuit for MOSFET excitation was obtained from the Texas Instruments component datasheet. The supply can be made with voltages from 14 to 32 V and the high current operating has a gain of 5 V / V up to 900 MHz.

This high-power drive circuit for MOSFET excitation was obtained from the Texas Instruments component datasheet. The supply can be made with voltages from 14 to 32 V and the high current operating has a gain of 5 V / V up to 900 MHz.
