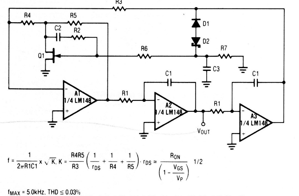
This circuit can use the LM148 and its more modern equivalents, generating a sinusoidal signal whose frequency can be calculated by the formula next to the diagram, depending on the components used. The power supply must be symmetrical.
This circuit can use the LM148 and its more modern equivalents, generating a sinusoidal signal whose frequency can be calculated by the formula next to the diagram, depending on the components used. The power supply must be symmetrical.