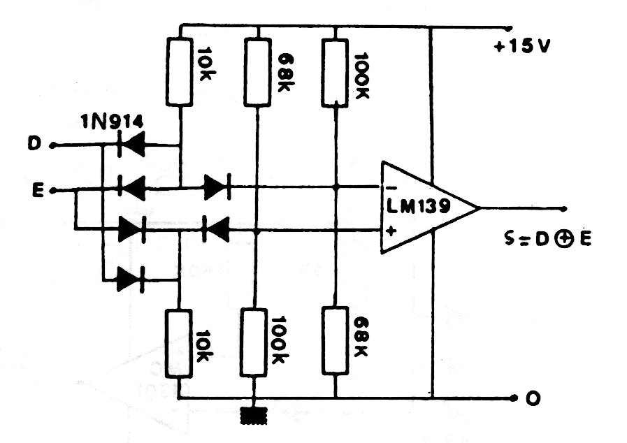
This Exclusive-Or gate was found in old documentation, but it can be implemented today as the comparator used is still very common in the market. The voltage depends on the logic and with 5 V, it can be used as a shield for microcontroller.
This Exclusive-Or gate was found in old documentation, but it can be implemented today as the comparator used is still very common in the market. The voltage depends on the logic and with 5 V, it can be used as a shield for microcontroller.