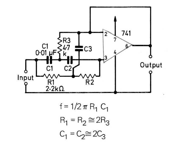
Other operational amplifiers can be used in this conventional filter that rejects only one frequency. The components are calculated using the formulas next to the diagram and the supply voltage can be between 6 and 15 V. For other, more modern operational amplifiers, the voltage can be lower.




