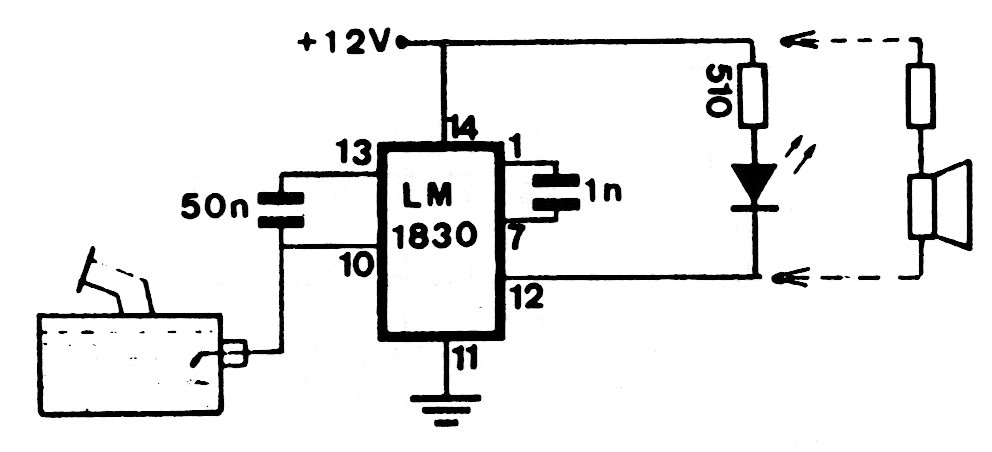
This old indicator circuit indicates only when the fuel reaches the sensor level. The integrated circuit is not common today. The circuit was found in documentation from the 1980s.
This circuit is from a 1967 publication and applies to incandescent lamps up to 600 W. Triacs must be...
Found in National Semiconductor documentation from the 1980s, this circuit can be implemented with...
This circuit was found in the July 1978 issue of Radio Electronics magazine. The circuit uses a...