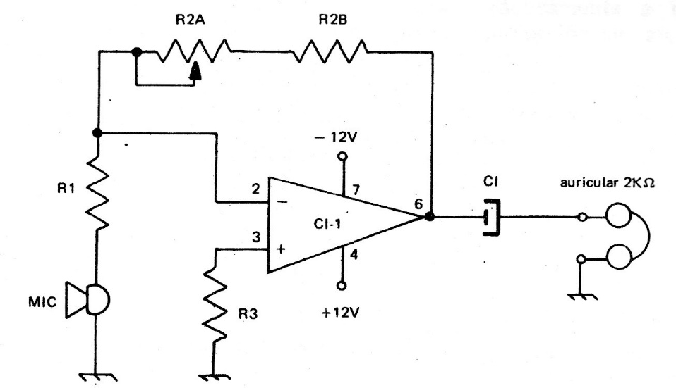
The operational of this amplifier can be the 741 and the resistors R1 and R3 are of 10 k. R2B is also 10k and the potentiometer is 1 M. The capacitor is 100 uF and the supply must be symmetrical from 6 to 12 V. The circuit is from a 70's manual.
The operational of this amplifier can be the 741 and the resistors R1 and R3 are of 10 k. R2B is also 10k and the potentiometer is 1 M. The capacitor is 100 uF and the supply must be symmetrical from 6 to 12 V. The circuit is from a 70's manual.