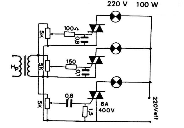
This light effect was found in a European circuit manual from the 90s. The triacs can be of the TIC series and the transformer must be a low voltage primary and a 110 V secondary (inverted connected). A limiting resistor must be placed in series with the input. The circuit only works with incandescent lamp.




