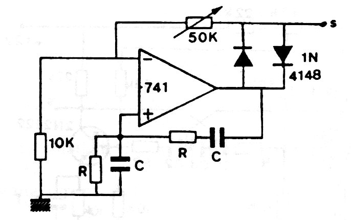
This oscillator circuit for sinusoidal audio signals with operational 741 requires a symmetrical power supply of 6 to 12 V. The circuit is from an old documentation and the frequency is given by RC. Other operational amplifiers can be used.
This oscillator circuit for sinusoidal audio signals with operational 741 requires a symmetrical power supply of 6 to 12 V. The circuit is from an old documentation and the frequency is given by RC. Other operational amplifiers can be used.