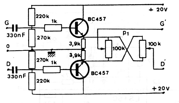
This balance or balance circuit with phase inversion was found in documentation from the 90s. Transistors can be low noise equivalents like BC549.
This circuit was found in the September 1996 issue of Electronics Now magazine. The sound provided has...
We found this circuit in a March 1961 Radio Electronics magazine. This circuit reaches 100 MHz...
Using the M1575 this switching converter was found in National Semiconductor documentation from...