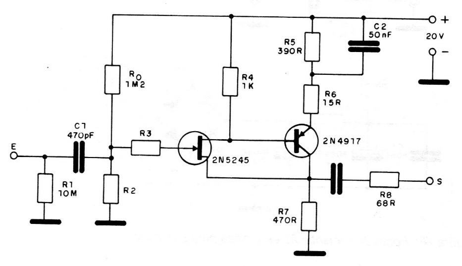
This antenna amplifier or booster for receivers from 100 kHz to 30 MHz was published in a technical documentation on FETs from the 1980s. The bipolar transistor can be the BF494 and the power can be supplied by two 9 V batteries since consumption is too low or the source of CB19258E.




