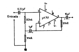
This circuit is from an old documentation, but it can be elaborated with ease, since the operational one is still very common. We can also design the circuit based on a more modern operating system. The power supply must be symmetrical according to the operational.




