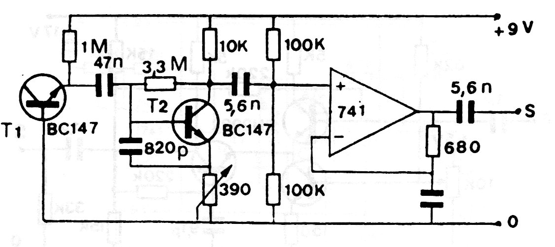
We found this white noise generator circuit in old European documentation, but the components used are current. The transistors can be the BC548 and for the operational, a symmetrical source must be used.
We found this white noise generator circuit in old European documentation, but the components used are current. The transistors can be the BC548 and for the operational, a symmetrical source must be used.