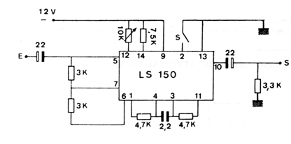
The LS150 is an uncommon high-performance operational amplifier today. The circuit is from old documentation and does not require a symmetrical power supply.

The LS150 is an uncommon high-performance operational amplifier today. The circuit is from old documentation and does not require a symmetrical power supply.
