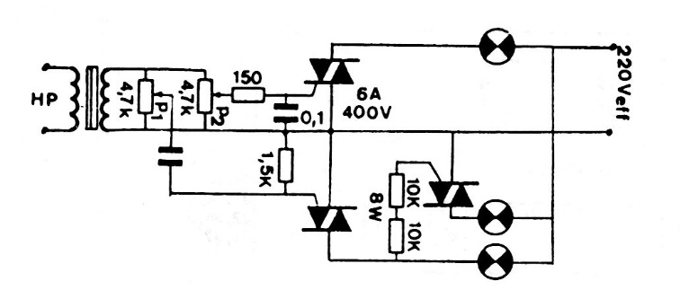
This interesting circuit, found in a European publication from the 90s, has two control channels for effects with incandescent lamps. When the brightness of one increase with one peak of sound, that of the other decreases. The circuit is connected to the speaker output of the sound system.




