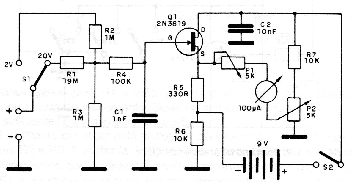
This sensitive voltage measuring circuit has a very high input resistance, of the order of Mohms, and can be used with the lowest current range of a common analog multimeter, to increase its sensitivity. The FET can be the BF245 or equivalent and the power is provided by a 9 V battery.




