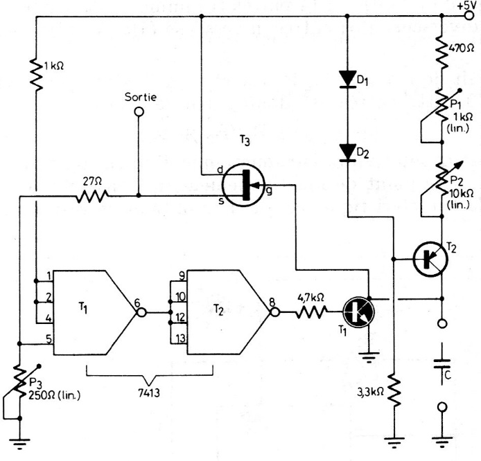
This circuit was found in an old European documentation, but it is still current due to the components it uses. The transistors can be of general use of the BC series and the circuit must be supplied with 5 V. The frequency and the linearity of the signals must be adjusted in the trimpots. The frequency range depends on C and can range from 10 Hz to 700 kHz.




