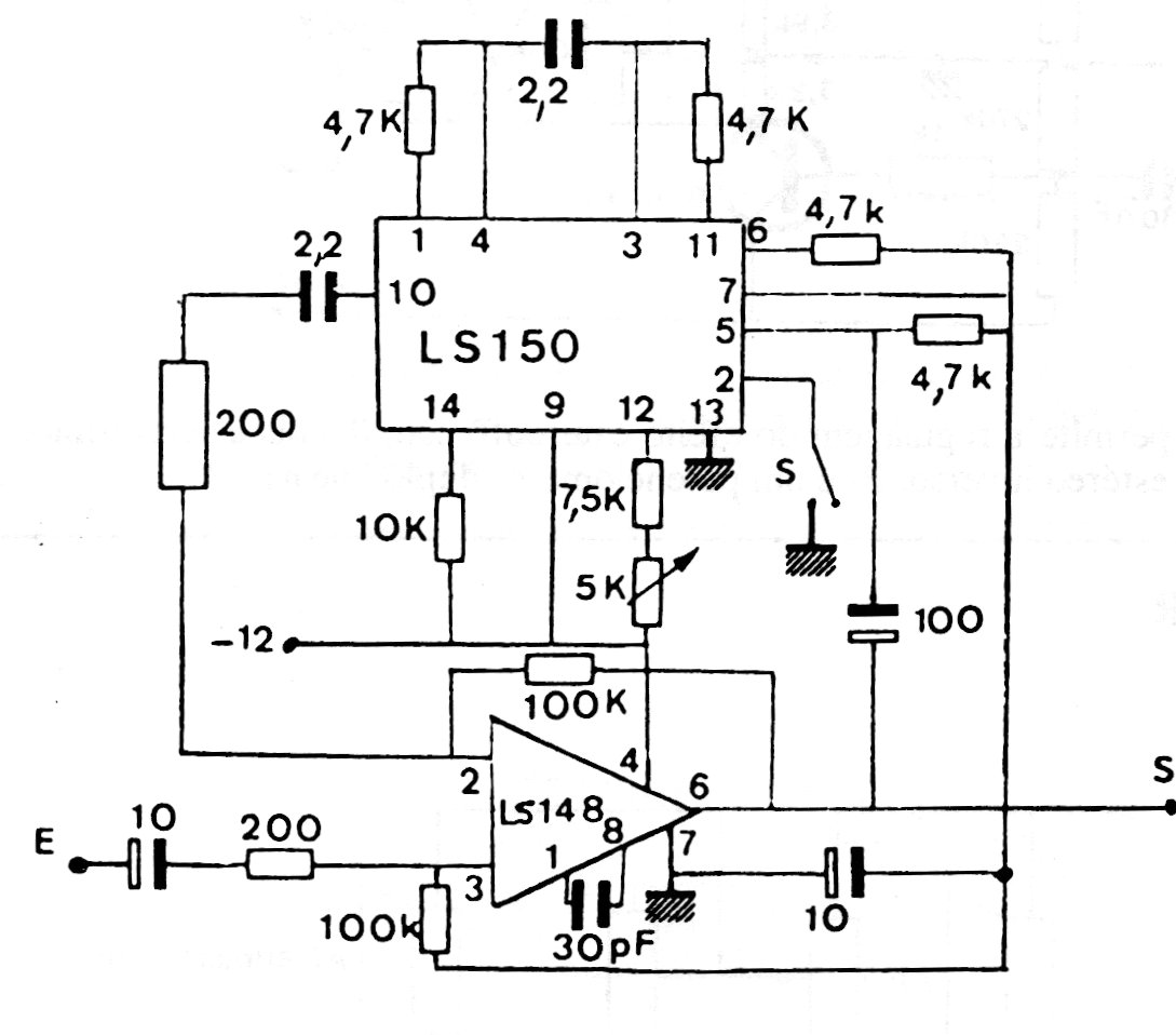
This volume compressor uses unusual components today. The circuit was found in documentation from the 1980s. The circuit is for audio signals. The LS150 is a high-performance operational amplifier.
We found this circuit for an anti-theft radar that operates at 400 MHz in a Radio Electronics from...
In the figure we have a diagram of a thermostat using an NTC and an operational amplifier 741. The...
This version of a call-fish is from 1981 using, for this reason, a 90 V battery that is no longer...