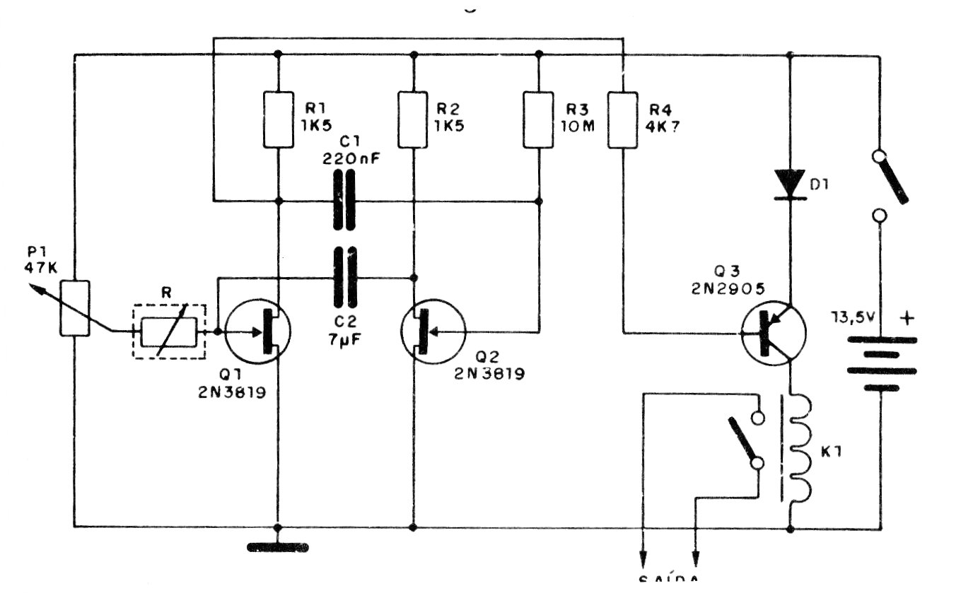
This circuit with JFET was obtained in a book on FETs of 1989. The circuit is still current since equivalent FETs like BF245 can be used. The relay is according to the supply and the capacitor selector network for the times is given next to the diagram.




