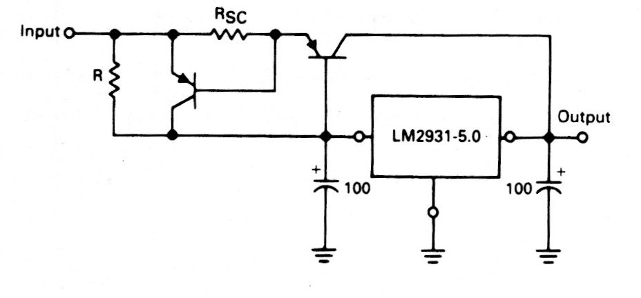
This regulator with current boost and short circuit protection was found in the LM2931 manual that is used in this case. The integrated circuit is not very common today.
One of the problems with common 3-terminal regulators is that the internal reference, normally 1.25 V,...
This circuit found in French documentation, works with 15 V logic, but can be modified to TTL or 5...
We found this circuit in a 1972 documentation. The transistor, in fact, is a unijunction that can...