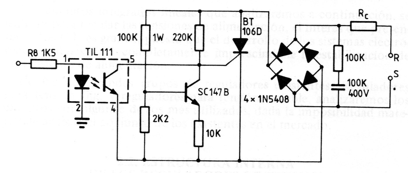
This circuit shows how to implement a solid-state control shield for an SCR connected to the power grid. The bridge diodes must be in accordance with the load current. The resistor in series with the LED can be 270 ohms or 330 ohms 5 V microcontrollers output and other optical couplers with transistors can be used.




