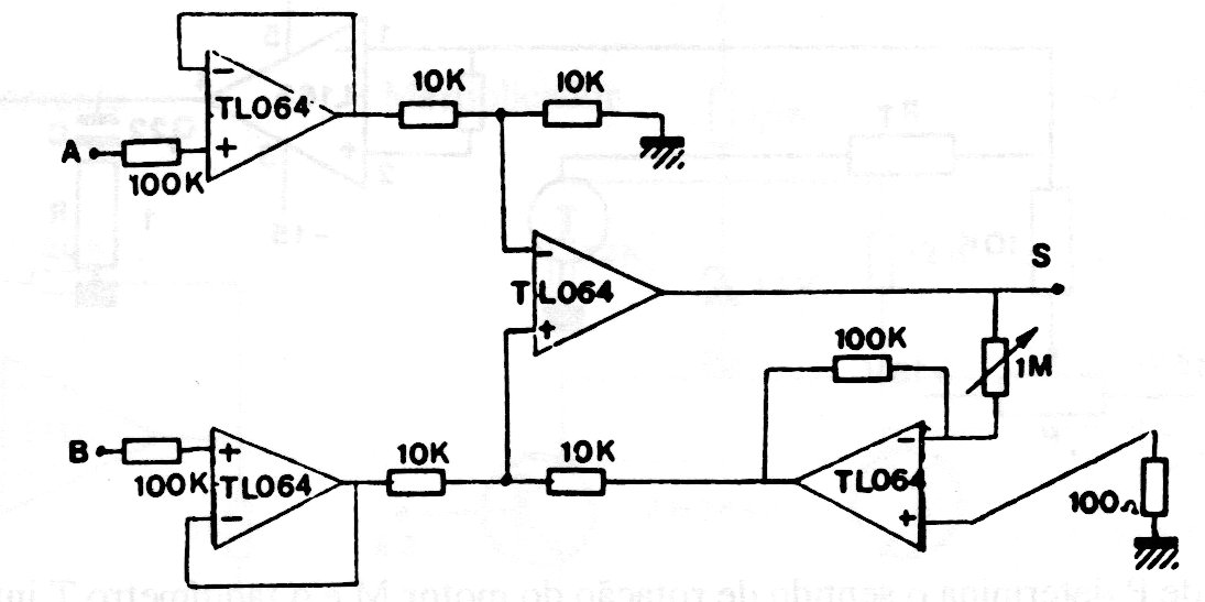
This amplifier for instrumentation with very high input impedance was found in a manual of JFET circuits. The operational ones used are current and the power supply must be symmetrical.
When S1 is closed, the L1 lamp turns on and the L2 lamp turns off. The circuit is powered...
This is yet another version of the light-controlled oscillator that can be found on this website. This...
The A3906 integrated circuit from Allegro MicroSystems (www.allegro.com) consists of a single-step motor...