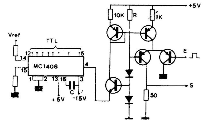
This circuit is based on an MC1408, an integrated circuit that is not common today. The transistors can be of general use or switching and the sensitivity of input to output from 0 to 10 V is 4 mV.
This circuit is based on an MC1408, an integrated circuit that is not common today. The transistors can be of general use or switching and the sensitivity of input to output from 0 to 10 V is 4 mV.