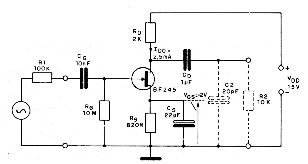
This circuit was obtained in an old European publication on FETs. The FET admits equivalent and the feed must have good filtration. Signal input cables and output cables must be shielded.
One of the problems with common 3-terminal regulators is that the internal reference, normally 1.25 V,...
This circuit found in French documentation, works with 15 V logic, but can be modified to TTL or 5...
We found this circuit in a 1972 documentation. The transistor, in fact, is a unijunction that can...