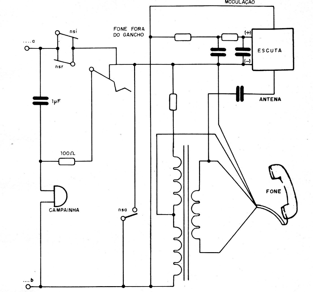
In the figure we have a wireless wiretapping circuit for the frequency range determined by L1. For FM it can be 1 + 4 turns of wire 28 without form with 1 cm in diameter and L2 3 turns on L1. The circuit is from a documentation of the 90s, serving for the analog part of the telephone line.




