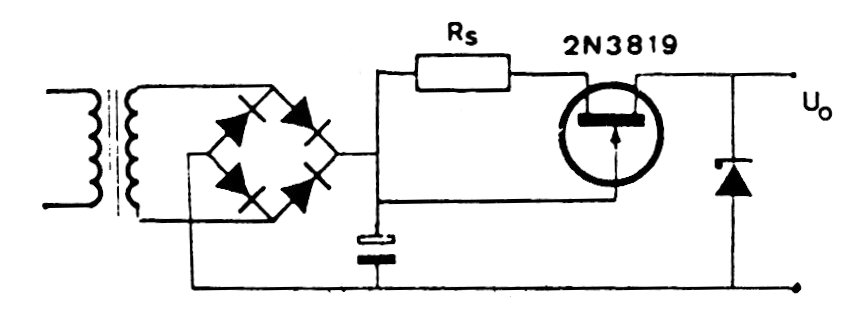
This voltage regulator for low current applications (a few milliamps) is from a European publication from the 1980s. The FET admits equivalent and the zener determines the output voltage. The resistor must be calculated so that the current does not exceed the maximum allowed by the transistor.




