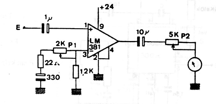
The integrated circuit used in this configuration is not very common today. However, more modern operations can be used, including reducing the supply voltage. The circuit is from a documentation from the 70s and the instrument is a microammeter from 0 to 100 uA.




