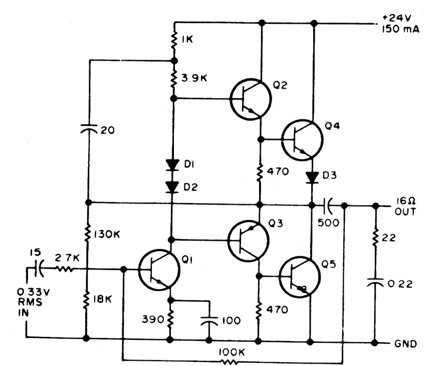
This circuit, from an American documentation from 1975, can be assembled with modern transistors such as the pair BD135 and BD136 at the output and general-purpose transistors such as BC547 and 557 in the other functions. The circuit has excellent sound quality.




