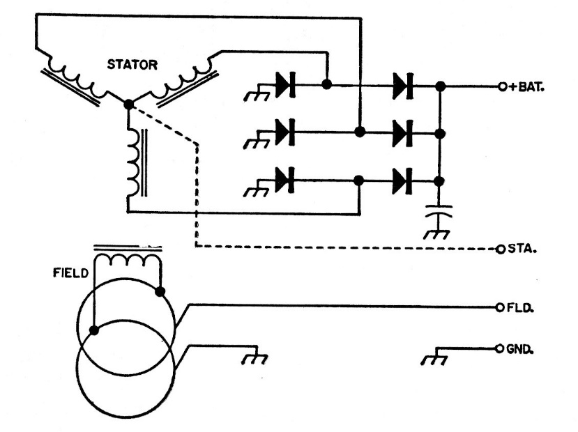
In the figure below we have the typical circuit of an automotive star alternator with the rectifier sector. The diodes depend on the current and the circuit is given as a reference for a Ford vehicle.
Created to serve as a booster for TV signals in the UHF band, this circuit was found in the March...
With the appropriate choice of C1 and C2 it is possible to divide the frequency of a rectangular 3 V...
This circuit was found in the June 1970 Radio Electronics magazine. The power to the load is triac...