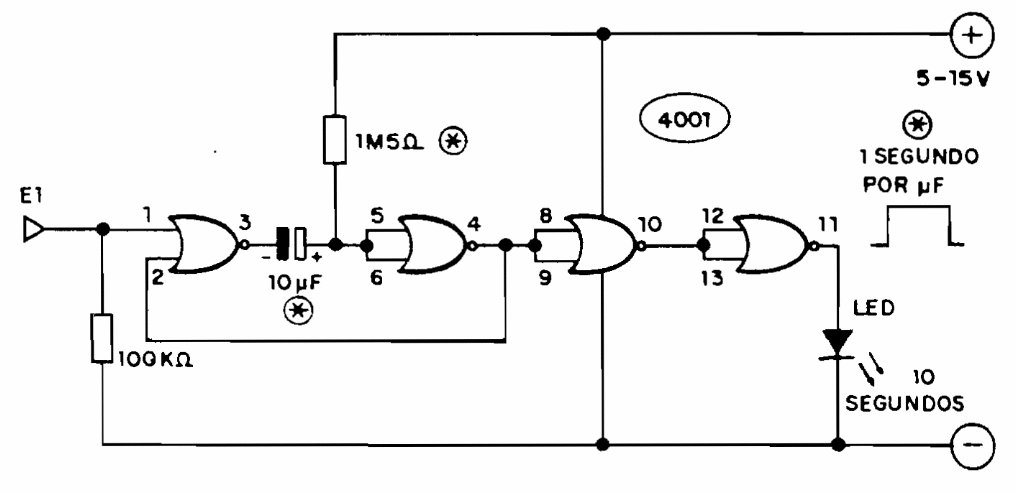
This experimental monostable CMOS circuit, activating an LED was found in a documentation from the 1980s. It is recommended to connect in series with the LED a limiting resistor of 470 ohms or more.
Created to serve as a booster for TV signals in the UHF band, this circuit was found in the March...
With the appropriate choice of C1 and C2 it is possible to divide the frequency of a rectangular 3 V...
This circuit was found in the June 1970 Radio Electronics magazine. The power to the load is triac...