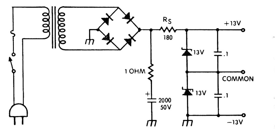
This simple power supply is regulated by two zener diodes which, for a current of up to 200 mA, can be 1W. The diodes of the source are 1N4002 and the transformer has a secondary of 12 V.
This simple power supply is regulated by two zener diodes which, for a current of up to 200 mA, can be 1W. The diodes of the source are 1N4002 and the transformer has a secondary of 12 V.