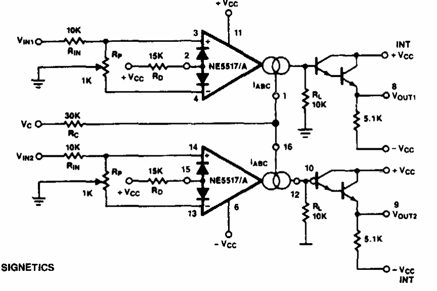
This amplifier with gain control was obtained in a documentation from Signetics of the 80's. Transistors are of power and operational amplifiers are not common nowadays.
This circuit only detects variations in light falling on the sensor. The circuit uses an LM380 as a...
This latched switch configuration was obtained from National Semiconductor documentation on the...
This electronic roulette circuit with 10 numbers was found in a Popular Electronics from the 80s....