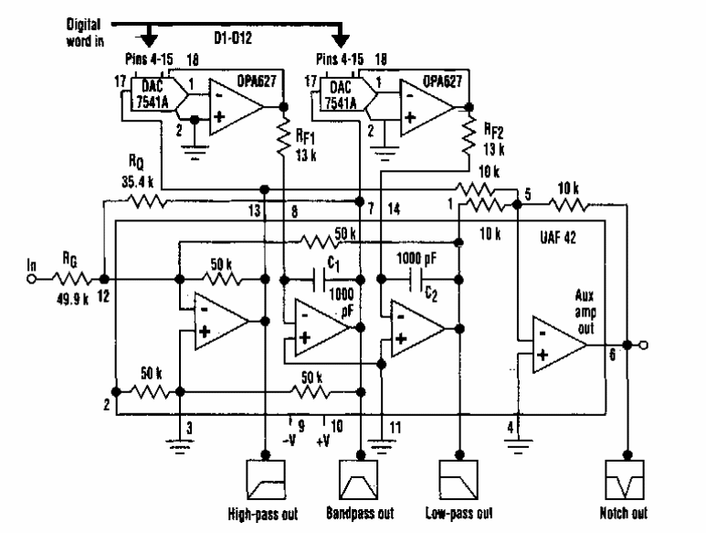
This circuit was found in an Electronic Design. The circuit can be programmed to operate in different frequency ranges with the indicated characteristics. The IC component is uncommon today.
This circuit only detects variations in light falling on the sensor. The circuit uses an LM380 as a...
This latched switch configuration was obtained from National Semiconductor documentation on the...
This electronic roulette circuit with 10 numbers was found in a Popular Electronics from the 80s....