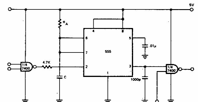
This circuit, which can be used as a shield, has its time determined by RA and C connected at the input of the 555.
This circuit only detects variations in light falling on the sensor. The circuit uses an LM380 as a...
This latched switch configuration was obtained from National Semiconductor documentation on the...
This electronic roulette circuit with 10 numbers was found in a Popular Electronics from the 80s....