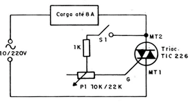
The circuit that we give below has two possible applications: it can be used to control a lamp with a low current capacity switch, such as a reed-switch with a maximum of 500 mA or to test Triacs that support the local network voltage. Its operation is simple: when the switch is closed, the trigger voltage is applied to the Triac gate and it turns on supplying the lamp used as a load. The 22K wire potentiometer is used to adjust the intensity of the trigger current so that it is as small as possible.




