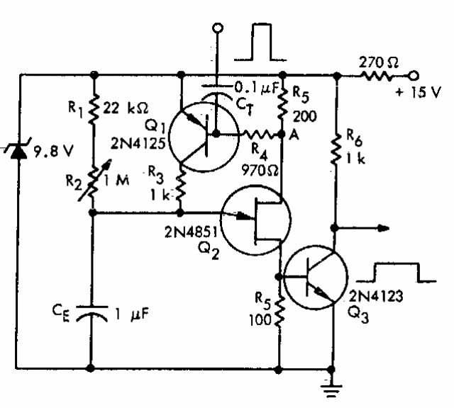
This circuit was found in old documentation. It can be made based on modern components. The time depends on the setting and the CE value.

This circuit was found in old documentation. It can be made based on modern components. The time depends on the setting and the CE value.
