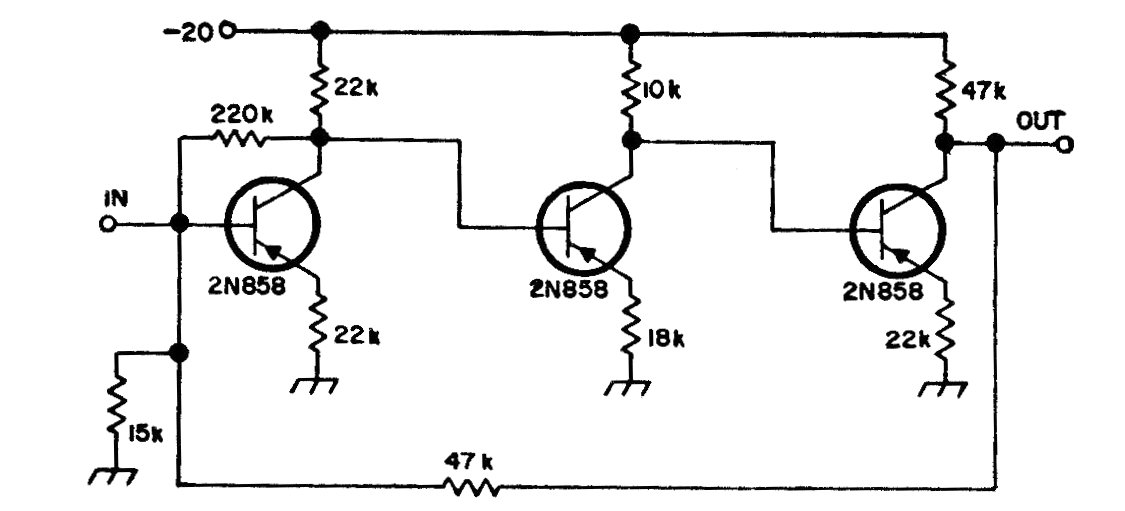
This circuit was found in a 1975 documentation. Current general-purpose transistors can be used, and the power is supplied with relatively high voltage. The gain is 30 dB.
This battery monitor circuit with the TLV379 low voltage operational amplifier was obtained in the...
We got this circuit from Radio Electronics from July 1990. The circuit mimics the sound of the red...
This configuration often addressed on this site is from a 2000 documentation. The circuit can be...