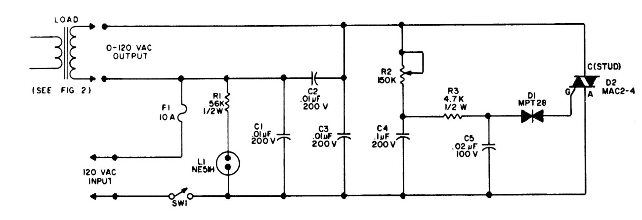
This variac was found in an old documentation, but it has a current circuit, just using triac of the TIC series that is common in the market and the diac can be of any type. The circuit controls the power applied to a transformer and thus its alternating voltage.




