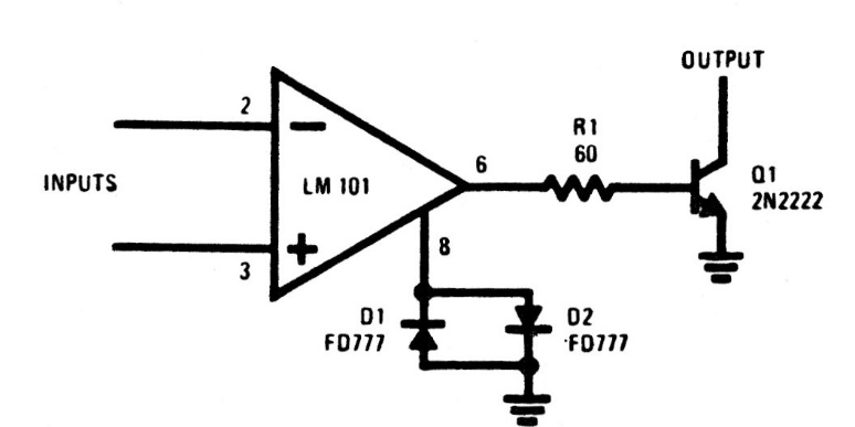
This type of logic is no longer used today. The circuit is from an old American publication and the integrated circuit is uncommon today. Diodes are general-purpose tpes.
Found in a 90s Popular Electronics, this sensor operates by infrared reflection. The components are...
This circuit, which can act as a shield, was found in a 1990 PE Hobbyst Handbook. The circuit...
This circuit was found in an old American manual. It is intended for testing SCRs and thermistors using...