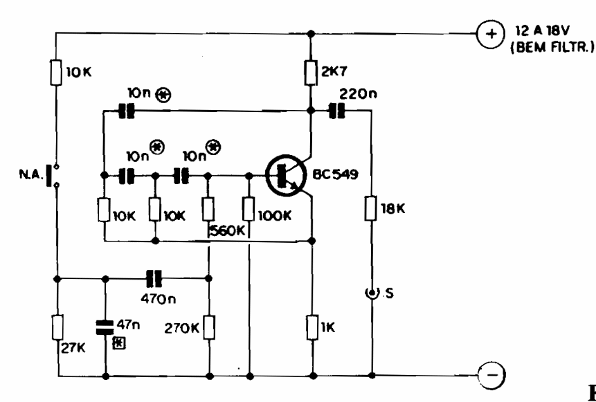
This circuit produces the sound of percussion such as blocks, drum, bell, etc. The frequency depends on the marked capacitors, which can have a wide range of values depending on the desired sound.
This circuit was found in an ancient American documentation. The integrated circuit is of the time...
Found in an older Radio Craft, this circuit covers the aerial band from 118 to 136 MHz. No...
This amplifier was found in a Radio Electronics of the 90s. The circuit uses unusual operational...