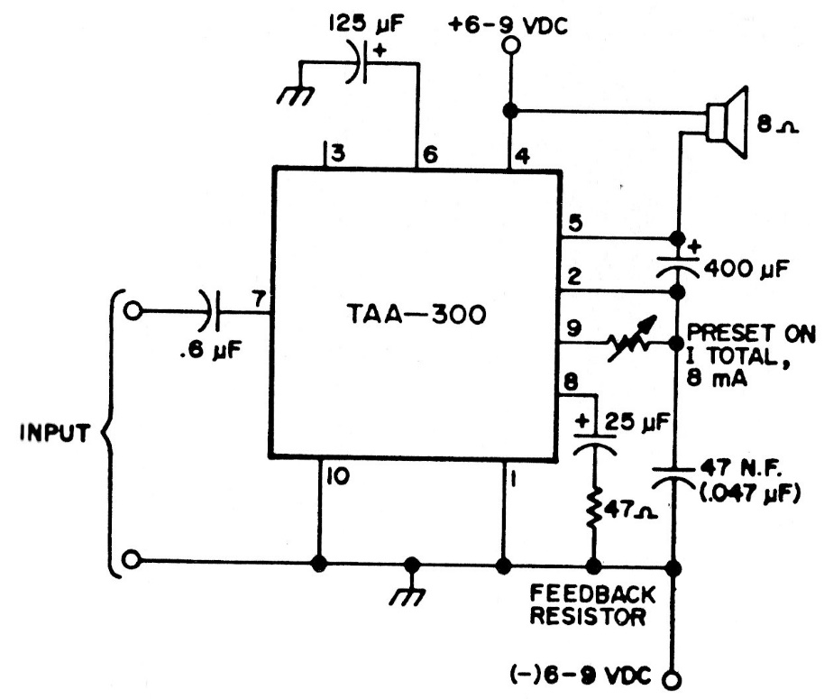
The integrated circuit used in this 70's application is not common today. The circuit consists of a small audio amplifier with few external components.
This non-regulated power supply uses a single secondary winding transformer. The secondary voltage...
Using a small incandescent bulb as a regulator, this Wien bridge oscillator produces a sinusoidal...
The figure presents a configuration that can be very useful for audio equipment designers. What...