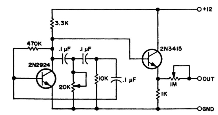
The original purpose of this circuit, which we find in old American documentation, is to modulate an RF carrier for telecommunications applications. Transistors support equivalents.
We found this TTL power supply circuit in the December 1972 issue of Radio Electronics magazine. The...
We found this circuit in American documentation from the 1980s. Transistors can be of general use....
This circuit was found in a 1965 magazine. The circuit is powered by a single battery and uses...