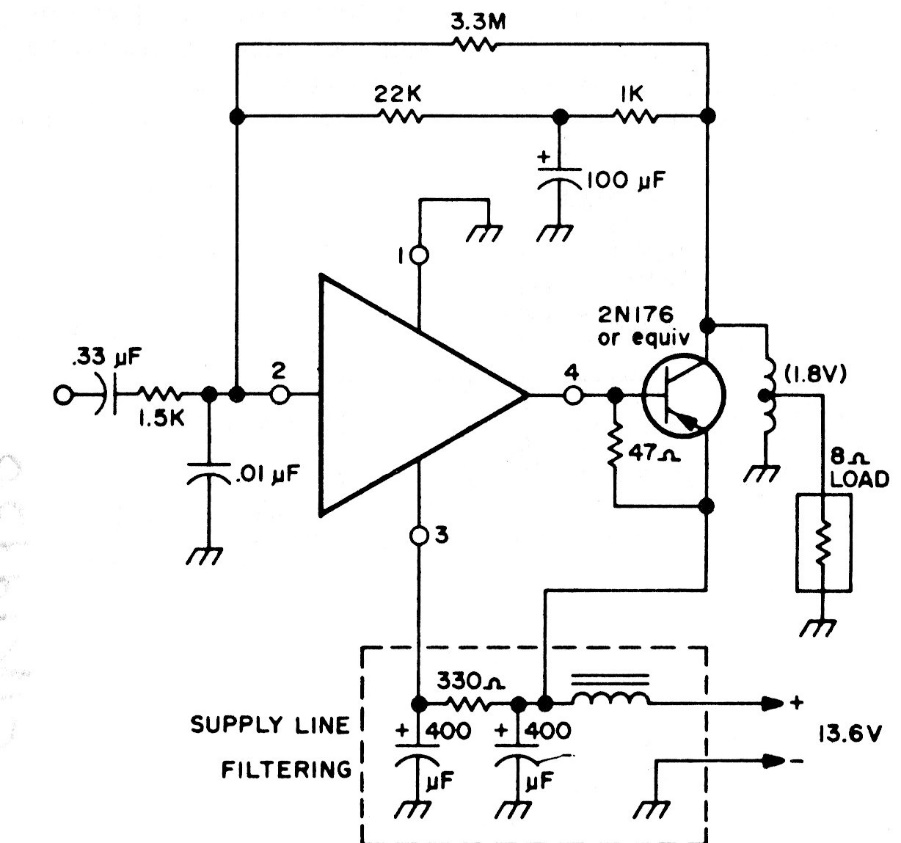
In this circuit, the integrated amplifier used is uncommon today. The circuit is from an American documentation from the 70's making use of a power transistor for output. A TIP32 can be used.
We found this active crossover in a Radio Electronics magazine from June 1961. Note the different...
Found in Popular Electronics from the 90s, this circuit serves to indicate the output level of a...
If you are on an old PC that you use for experiments, control or other applications, this circuit is...