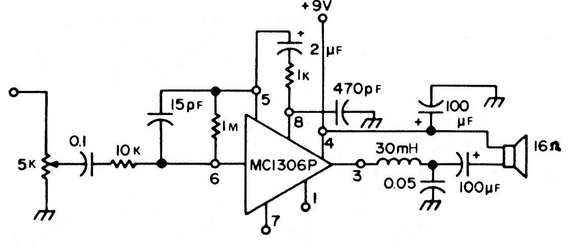
This amplifier uses a 1975 integrated circuit, which is uncommon today. The circuit has a gain of 30 dB and uses a transformer-less output with 9 V power.
We found this active crossover in a Radio Electronics magazine from June 1961. Note the different...
Found in Popular Electronics from the 90s, this circuit serves to indicate the output level of a...
If you are on an old PC that you use for experiments, control or other applications, this circuit is...